常見問題
更多>>
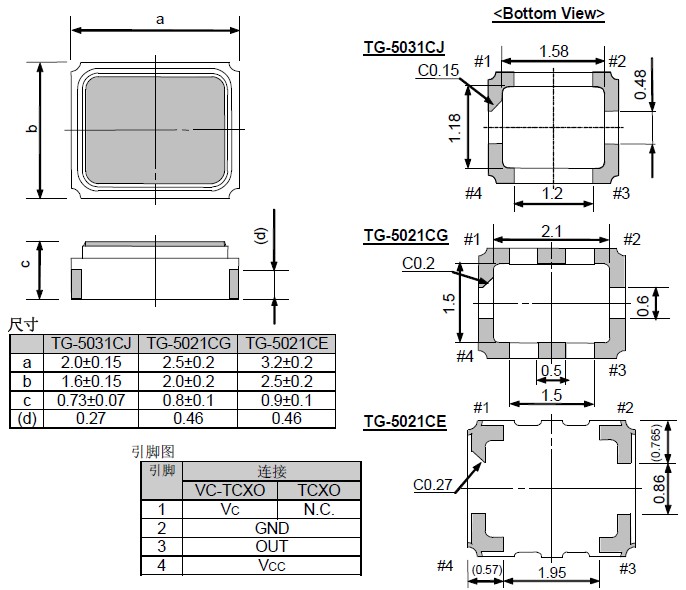
溫補晶體振蕩器,貼片晶振TG-5021CG,愛普生GPS晶振,EPSON溫補石英晶體振蕩器,TCXO產品特點超小尺寸,高精度和高性能.是專門針對網絡設備而設計的,溫補晶振(TCXO)產品本身具有溫度補償作用,高低溫度穩定性:頻率精度高0.5PPM~2.0PPM,常用頻率:26M,33.6M,38.4M,40M.因產品性能穩定,精度高等優勢,被廣泛應用到一些比較高端的數碼通訊產品領域,GPS全球定位系統,智能手機,WiMAX和無線通信等產品,符合RoHS/無鉛.
.jpg)
| 愛普生晶振參數 | TG-5021CG | |
| 頻率范圍 | f0 | 13.0 MHz ~ 52.0 MHz |
| 電源電壓 | VCC | 2.8 V±0.14 V (電源電壓范圍:2.3 V ~ 3.6 V) |
| 儲存溫度 | T_stg | -40°C ~ +85°C |
| 工作溫度范圍 | T_use | -30℃C ~ +85℃ |
| 頻率公差 | f_tol | ±2.0×10-6 Max. |
| 電流消耗 | ICC | 2.0mA Max. |
| 輸入電阻 | Rin | 500 kΩ Min. |
| 占空比 | SYM | 45 % to 60 % |
| 頻率負載變動特征 | f0-Load | ±0.2×10-6 Max. |
| 頻率電源電壓特征 | f0-VCC | ±0.2×10-6 Max. |
| 頻率控制范圍 | f_cont | ±5.0×10-6 ~ ±12.0×10-6 |
| 頻率變化極 | —— | 正極 |
| 輸出負載情況 | L_ECL | 50Ω |
| 輸出電壓 | Vpp | 0.8 V Min. |
| 輸出負載電容 | Load_R | 10 pF |
| 輸出負載電阻 | Load_C | 10 kΩ |
| 頻率老化 | f_aging | ±1.5 ×10-6 Max. |
.jpg)
.jpg)
目前常見的產品可靠性試驗有:
高溫儲存試驗 125℃±10℃;1000H±24H
溫度循環試驗 T1 = -55℃±10℃ T2= 125℃±10℃;循環次數10次.(溫度轉換約30分鐘)
溫度沖擊試驗 T1 = -55℃±10℃ T2= 125℃±10℃;循環次數10次.(溫度轉換時間5秒)
恒溫恒濕試驗 TC 85±10℃ H 85% ;1000H±24H
可焊性(焊錫)試驗 230±10℃;3 s
耐焊接試驗 260±10℃;10 s
跌落試驗 75 cm;3 次.
振動試驗 頻率10 Hz — 2000 Hz;振幅 1.5 mm;每方向 40 分鐘.
老化率試驗 TC 85±10℃;300 H
壽命試驗(MTBF);85℃or125℃;1000H;利用公式及失效產品數計算出產品模擬壽命.


伴隨信息化社會的進程,現在進口晶振已被廣泛應用于各種電子設備以及家電產品之中,日趨重要. 愛普生拓優科夢(Epson — Toyocom)將進一步究極用精微加工發揮“石英”材料的優越性能的“QMEMS”技術,創造出更小、更高性能或全新功能的元器件;同時,融合愛普生集團的半導體與軟件技術增添便于使用、能讓顧客更體驗到利用價值的“解決方案”.通過上述工作,我們將為社會的發展以及實現更舒暢的未來而竭誠奉獻.

愛普生建立了質量方針為指導實現客戶滿意度的一個核心承諾包括愛普生的管理哲學,而且是企業文化中根深蒂固的以客戶為中心的行為.日常決策和行為引導的“SE15 CS /質量中期行動指南,“愛普生成立于2009年.符合這些指南,產品規劃和設計工程師直接訪問、觀察、傾聽客戶收集客戶需求的信息和問題,然后用來提供customer-pleasing產品和服務.
深圳市兆現電子有限公司聯系人:龔成
QQ:769468702
手機:13590198504
郵箱:zhaoxiandz@163.com
網站:http://www.dlcczl.cn/
地址:深圳市南山南頭關口8棟















