晶振分類
- 晶振系列
- 陶瓷晶振
- 陶瓷濾波器
- 微孔霧化片
- 希華晶體
- 石英晶振
- SMD晶振
- 聲表面諧振器
- NSK晶振
- TXC晶振
- 臺灣加高晶振
- 臺灣鴻星晶振
- 百利通亞陶晶振
- 臺灣泰藝晶振
- AKER晶振
- NKG晶振
- 進口晶振
- KDS晶振
- 精工晶振
- 村田晶振
- 西鐵城晶振
- 愛普生晶振
- 亞陶,嘉碩晶體
- CTS晶體
- 京瓷晶振
- NDK晶振
- 大河晶振
- 瑪居禮晶振
- 富士晶振
- NAKA晶振
- SMI晶振
- NJR晶振
- 移動設備
- 數碼電子
- 通信網絡
- 醫療電子
- 安防GPRS導航
- 汽車電子
- 歐美晶振
- Abracon晶振
- 康納溫菲爾德晶振
- 日蝕晶振
- ECS晶振
- 高利奇晶振
- 格林雷晶振
- IDT晶振
- JAUCH晶振
- Pletronics晶振
- 拉隆晶振
- Statek晶振
- SiTime晶振
- 維管晶振
- 瑞康晶振
- 微晶晶振
- AEK晶振
- AEL晶振
- Cardinal晶振
- Crystek晶振
- Euroquartz晶振
- Fox晶振
- Frequency晶振
- GEYER晶振
- KVG晶振
- ILSI晶振
- Mmdcomp晶振
- MtronPTI晶振
- QANTEK晶振
- QuartzCom晶振
- Quarztechnik晶振
- Suntsu晶振
- Transko晶振
- Wi2Wi晶振
- ACT晶振
- MTI-milliren晶振
- Lihom晶振
- Rubyquartz晶振
- Oscilent晶振
- SHINSUNG晶振
- ITTI晶振
- PDI晶振
- IQD晶振
- Microchip晶振
- Silicon晶振
- Anderson晶振
- Fortiming晶振
- CORE晶振
- NIPPON晶振
- NIC晶振
- QVS晶振
- Bomar晶振
- Bliley晶振
- GED晶振
- FILTRONETICS晶振
- STD晶振
- Q-Tech晶振
- Wenzel晶振
- NEL晶振
- EM晶振
- PETERMANN晶振
- FCD-Tech晶振
- HEC晶振
- FMI晶振
- Macrobizes晶振
- AXTAL晶振
- Sunny晶振
- ARGO晶振
- 石英晶體振蕩器
- 有源晶振
- 溫補晶振
- 壓控晶振
- 壓控溫補晶振
- 恒溫晶振
- 差分晶振
常見問題
更多>>
拉隆晶振公司在1983年成立于邁阿密,拉隆電子公司已經發展成為其中之一公認的經驗豐富的頻率管理產品制造商在世界各地.從簡單音叉晶體到高穩定性控制晶體振蕩器,拉隆提供最多全行業的頻率管理設備. 公司對研發的承諾使得不斷創造領先邊緣晶體和振蕩器器件和技術多年.今天,拉爾特龍提供高性能頻率控制解決方案滿足和超越客戶的期望價格,質量,應用工程和客戶支持.
Raltron晶振通過全球獨立銷售網絡為全球客戶提供支持代表以及亞洲的幾個附屬辦事處,戰略地位于主要客戶附近和市場.該公司的石英晶體振蕩器產品由幾家大型全球經銷商分銷目錄房屋以及區域經銷商處理具體的市場.諧振器,時鐘振蕩器和濾波器以及天線在位于的幾個設施中生產中國. 該公司正從香港物流樞紐運送全球產品.

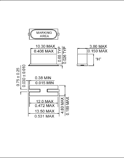
拉隆晶振,石英晶振,AS-SMD晶振,普通石英晶振,外觀完全使用金屬材料封裝的,產品本身采用全自動石英晶體檢測儀,以及跌落,漏氣等苛刻實驗.產品本身具有高穩定性,高可靠性的石英晶體諧振器,焊接方面支持表面貼裝,外觀采用金屬封裝,具有充分的密封性能,晶振本身能確保其高可靠性,采用編帶包裝,可對應產品應用到自動貼片機告訴安裝,滿足無鉛焊接的高溫回流溫度曲線要求.
|



如果過大的激勵電力對石英晶體諧振器外加電壓,有可能導致特性老化或損壞,因此請在宣傳冊、規格書中規定的范圍內使用.讓無源晶振振蕩的電路寬裕度大致為負性阻抗值.本公司推薦此負性阻抗為諧振器串聯電阻規格值的5倍以上,若是車載和安全設備,則推薦10倍以上.AS-SMD晶振,兩腳插件晶振,假貼片石英晶體.
SMD晶體產品支持自動貼裝,但還是請預先基于所使用的搭載機實施搭載測試,確認其對特性沒有影響. 在切斷工序等會導致基板發生翹曲的工序中,請注意避免翹曲影響到產品的特性以及軟焊. 基于超聲波焊接的貼裝以及加工會使得貼片晶體產品(諧振器、振蕩器、濾波器)內部傳播過大的振動,有可能導致特性老化以及引起不振蕩,因此不推薦使用.
熱影響
重復的溫度巨大變化可能會降低受損害的有源晶振的產品特性,并導致塑料封裝里的線路擊穿.必須避免這種情況.拉隆晶振,石英晶振,AS-SMD晶振。
安裝方向
進口晶體振蕩器的不正確安裝會導致故障以及崩潰,因此安裝時,請檢查安裝方向是否正確.

RALTRON晶振公司集團作為“地球內企業”,在保護地球環境方面發揮著領導作用.我們尊重歷史、文化和傳統的多樣性,并致力于“CSR經營”和“環境經營”.為取得社會的信任,為推動環境負荷最小化,RALTRON晶振集團還開展了各種各樣的49型SMD晶體產品生產宣傳推廣活動.AS-SMD晶振,兩腳插件晶振,假貼片石英晶體.
RALTRON晶振集團在“制造、使用、有效利用、再利用”這樣一個49S系列貼片晶振產品生命周期中,努力創造豐富的價值,給社會帶來溫馨和安寧,感動和驚喜,同時為減少環境影響,努力做好“防止地球變暖、有效利用資源、對化學物質進行管理”,實現與地球的和諧相處.拉隆晶振,石英晶振,AS-SMD晶振。
RALTRON晶振集團運用ISO14001環境管理系統進行環境管理,盡最大可能減小產品業務活動對環境造成的負擔,并通過業務發展推進環境改善. RALTRON晶振集團建立一種可測量的發展和改進的目標指標,定期進行內審和管理評審.在現有的或新生的各種活動中不斷監測和改進環境績效.通過對金屬面假貼片晶振生產活動的持續改進和促進對低效或無效的環境法律法規進行合理化轉變,努力提高環境管理中資本的效力.

深圳市兆現電子有限公司
聯系人:龔成
電話:0755--27876236聯系人:龔成
QQ:769468702
手機:13590198504
郵箱:zhaoxiandz@163.com
網站:http://www.dlcczl.cn/









